產品分類products
雙電源自動轉換開關當前位置:首頁 > 電氣類>雙電源自動轉換開關>雙電源自動轉換開關DHMQ系列
產品介紹:
名稱:DHMQ 系列雙電源自動轉換開關
型號:DHMQ-100/4P ,DHMQ-250/4P,DHMQ-630/4P
工作電壓:額定電壓—440V
工作頻率:50Hz
工作電流:約定發熱電流—1600A
詳細內容閱讀具體參數
相關資料:雙電源自動轉換開關簡介
產品介紹:
自動轉換開關(DHMQ),是集開關與邏輯控制于一體、真正實現機電一體化的自動轉化開關,雙電源切換開關使用于交流50HZ、額定電壓至440v、約定發熱電流至1600A的工企業配電設備中,具有電壓檢測、通信接口、電氣機械互鎖等功能;可實現全自動、遠程控制、強制置“0”、緊急手動操作,廣泛用于供電系統的主用電源與備用電源的自動轉換或兩臺負載設備的自動轉換及安全隔離等。開關由控制線路板發出各種邏輯命令來管理電機,由電機帶動開關主體部分的操作機構,快速接通分段電路或進行電路轉換,通過明顯可見狀態實現安全隔離。
型號說明:
DHMQ - 100 / 4P /?25A /?0
1??????2?????3????4????5
1、自動轉換開關
2、殼體等級電流(A)?(100、250、630)
3、開關級數:4級
4、額定工作電流:16A-3200A
5、開關功能:0-全自動(可省略); 1-全自動+強置“0”; 2-全自動+遠控
應用范圍 :
產品廣泛應用于消防、醫院、銀行、高層建筑等不允許斷電的重要的供電場所的輸、配電系統及自動化系統。
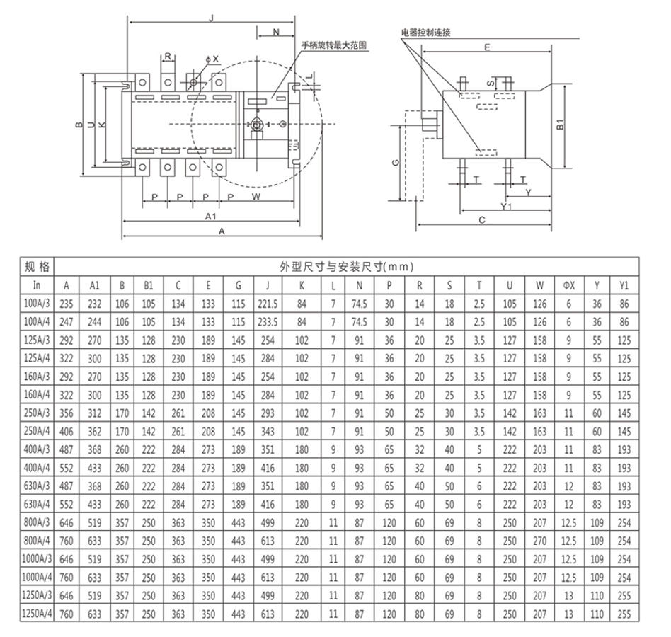
開關結構說明:
·電氣鑰匙鎖:控制開關內部控制線路電源,電氣鎖開啟時,開關可實現全自動、運控、強置“0”操作:電氣鎖關閉時,開關只能手動操作。
·操作手柄:使用操作手柄手動操作時,必須先交閉電氣鎖。
·機構掛鎖:檢修專用,即先用操作手柄使開關處于“0”擋位置,再接起掛鎖機構并上掛鎖,方可進行檢修(接起掛鎖則切斷開關內部控制電源)
·指示件:指示開關的工作狀態位置(I、0、II)。
功能特點 :
1、DHMQ1自動轉換開關(A.T.S),是集開關與邏輯控制于一體,無需外加控制器真正實現機電一體化的自動轉換開關,具有電壓檢測、頻率檢測、電氣、機械互鎖等功能,可實現自動、電動遠程、緊急手動控制。
2、操作是由邏輯控制板以各種邏輯命令來管理電機、變速箱的操作運行來實現。電機電動開關彈簧蓄能,瞬時釋放的加速機構,快速接通分斷電路或進行電路轉換,通過明顯可見狀態實現安全隔離,極大的提高了各項電器性能與機械性能。
3、DHMQ1開關整體設計為金屬外殼,小巧堅固。DHMQ1開關,控制部分為金屬外殼,開關外殼部件采用玻璃纖維不飽和聚脂樹脂制造,具有較強的介電性能、防護能力和可靠的操作安全性。
4、開關適用于供電系統的主電源與備用電源之間自動轉換或兩臺負載設備的自動轉換及安全隔離等。
5、開關造型美觀、新穎、簡潔、體積小、功能全、是不同場合的理想選擇。
自動轉換開關推薦閱讀:
雙電源自動轉換開關技術參數:
接線方式:板前接線
轉換方式:電網對電網、電網對發電機、自投自復
產品殼架:100、 250、 400、 630、 1000、 1250、 1600、 2000、 2500、 3200
開關符合:IEC947-6-1 GB14048.11-2008
額定工作電壓(Ue):AC440V
額定接通能力(A Rms):10Ie
額定分斷能力(A Rms):8Ie
控制電源電壓:DC24V、48V、110V,AC220V






