時間:2017/7/25 15:35:05 關鍵詞:控制與保護開關說明書
一、 產品概述
DHKBO即“控制與保護開關電器”是新型的低壓電器產品。其符合的標準為IEC60947-6-2(1997)《低壓開關設備和控制設備第6部分:多功能電器第2節:控制與保護開關電器》和GB14048.9-2008《低壓開關設備和控制設備多功能電器(設備)第2部分:控制與保護開關電器(設備)》。
DHKBO控制與保護開關集成了傳統的斷路器(熔斷器)、接觸器、過載(或過壓、斷相、漏電等)保護繼電器、啟動器、隔離器、電機綜合保護器等主要功能,具有遠距離自動控制和就地直接人力控制功能,具有面板顯示及機電信號報警功能,具有過壓保護、欠壓保護、斷相保護、欠流保護、電流不平衡保護、過流保護、堵轉保護、短路保護、漏電保護等功能,具有體積小、可靠性高、短路分斷能力強、飛弧距離短等優點。
主要用于交流50Hz、額定工作電壓至690V、主體額定電流自16A至125A、智能控制器可調工作電流自0.16A至125A、功率自0.05kW至55kW的電力系統中能夠接通、承載和分斷正常條件下(包括規定的過載條件)的電流或電壓,也能夠接通、承載一定時間和分斷規定的非正常條件下(如短路、欠壓等)的電流或電壓。
特別適用于以下場合或系統:
l 冶金、煤礦、鋼鐵、石化、港口、船舶、鐵路等領域的配電和機電保護與控制系統。
l 電機控制中心(MMC)及配電中心。
l 電力站及變電站。
l 港口和鐵路系統(如航空港、客運中心等)。
l 高速公路照明、通風系統。
l 各種場合的消防泵、風機等。
l 現代化的建筑照明、電源轉換、泵、風機、空調、消防等電氣控制與保護系統。
l 醫院、商業大樓、電信通訊機房、信息處理中心等。工廠或車間的單電機控制與保護系統。
二、 型號說明

三、 技術參數
l 額定工作電壓Un: AC 220V 50Hz
l 額定工作電流: 可在下表所示的允許范圍內任意設置。
|
殼架電流 |
內置電流互感器 額定工作電流In |
電子脫扣器 額定動作電流Ie |
出廠設置 |
有效測量范圍 |
|
45A |
1A |
0.20~1.00A,級差0.01A |
1.00A |
0.10~10.00A |
|
2A |
0.40~2.00A,級差0.01A |
2.00A |
0.20~20.00A |
|
|
4A |
0.80~4.00A,級差0.01A |
4.00A |
0.40~40.00A |
|
|
8A |
1.60~8.00A,級差0.01A |
8.00A |
0.80~80.00A |
|
|
16A |
3.2~16.0A,級差0.1A |
16.0A |
1.6~160.0A |
|
|
32A |
6.4~32.0A,級差0.1A |
32.0A |
3.0~320.0A |
|
|
45A |
9.0~45.0A,級差0.1A |
45.0A |
4.5~450.0A |
|
|
125A |
45A |
9.0~45.0A,級差0.1A |
45.0A |
4.5~450.0A |
|
63A |
12.6~63.0A,級差0.1A |
63.0A |
6.3~630.0A |
|
|
125A |
25~125A,級差1A |
125A |
12~1250A |
l 欠流保護
- 欠流保護值整定范圍:5%~90%Ie可設,級差為1%,出廠默認為5%Ie
- 欠流延時動作時間: 3秒
- 欠流故障報警自動恢復延時時間:10秒
l 過流保護
- 過流反時限延時保護曲線: 1~6。 出廠設置為3

l 堵轉保護
- 堵轉保護值整定范圍: 2~8Ie可設,級差為1倍,出廠默認為5Ie
- 堵轉延時動作時間: ≤ 1秒
- 堵轉故障報警自動恢復延時時間:10秒
l 短路保護
- 短路保護值整定范圍: 4~10Ie可設,級差為1倍,出廠默認為8Ie
- 短路延時動作時間: ≤ 0.1秒
- 短路故障報警不自動恢復
l 三相不平衡保護
- 三相不平衡保護值整定范圍:10%~95%可設,級差為1%,出廠默認為60%
- 三相不平衡延時動作時間: 3秒
- 三相不平衡故障報警自動恢復延時時間:10秒
l 漏電保護功能
- 漏電保護值整定范圍:20~200mA可設,級差為10mA,出廠默認為30mA
- 漏電延時動作時間: ≤ 0.1秒
- 漏電故障報警自動恢復延時時間:10秒
l 欠壓保護:
- 欠壓保護值整定范圍:
Un=220V時,170~220V可設,級差1V,出廠默認為187V
Un=380V時,300~380V可設,級差1V,出廠默認為323V
- 欠壓延時動作時間: 10秒
- 欠壓故障報警自動恢復延時時間:10秒
l 過壓保護:
- 過壓保護值整定范圍:
Un=220V時,220~270V可設,級差1V,出廠默認為253V
Un=380V時,380~460V可設,級差1V,出廠默認為437V
- 過壓延時動作時間: 5秒
- 過壓故障報警自動恢復延時時間:10秒
l 斷/缺相延時動作時間: 3秒
斷/缺相故障報警自動恢復延時時間: 10秒
l 動延時時間整定范圍: 1~99秒可設
四、控制與保護開關操作說明
4.1、 顯示面板: 如下圖所示。

4.2、按鍵說明
“設置”鍵:空載運行時,可按此鍵進入參數設置狀態;
運行過程中按此鍵進入參數查詢狀態。
“數據”鍵:空載運行時,按此鍵進入故障查詢狀態;
在參數設置程序中,按此鍵修改閃爍位的數據;
負載運行時,按此鍵定向遞增顯示當前實時檢測數據。
“移位”鍵:在參數設置程序中,按此鍵閃爍選擇所要修改的數據位;
負載運行時,按此鍵定向遞減顯示當前實時檢測數據。
“復位”鍵:在參數設置程序中,按此鍵保存設置參數并退出參數設置,投入正常監測狀態;
在定向顯示時,按此鍵恢復循環顯示。
4.3、操作面板

4.4、 啟動和運行
電源接通后,空載運行電子脫扣器時,LCD全顯3秒,然后顯示當前輔助電源的實時電壓值并進行電壓故障判斷。此時可進行參數查詢、故障查詢、參數設置操作。
當負載啟動和運行時,系統首先檢測當前A、B、C三相實時電流值及漏電電流值并進行短路故障判斷。若系統無故障則倒計時顯示啟動延時時間“qdXX”至0,此時LCD循環顯示前A、B、C三相實時電流值及漏電電流值,系統開始檢測并顯示斷相故障、欠流故障、過流故障、堵狀故障、電流不平衡故障及漏電故障。在負載狀態下可進行參數查詢操作、數據校正操作。
4.5、 參數查詢
在空載狀態或負載狀態,短時按下“設置”鍵,進入參數查詢狀態:
“參數”指示燈點亮,操作按鍵,數碼管按“參數設置表”所示序號顯示參數值。
其中: “數據”鍵按“參數設置表”順序遞加選擇操作項目
“移位”鍵按“參數設置表”順序遞減選擇操作項目
“復位”鍵退出參數查詢狀態。
4.6、 參數設置
在負載啟動和運行時,禁止進行參數設置。
空載運行電子脫扣器時,持續按下“設置”鍵進入。
- 按下“數據”鍵,從左到右循環移動閃爍位的位置;
- 按下“移位”鍵,從0到9循環修改閃爍位的數值;
參數設置狀態:
- 按下“設置”鍵,按“參數設置表”順序遞加選擇操作項目;
- 按下“數據”鍵,從左到右循環移動閃爍位的位置;
- 按下“移位”鍵,從0到9循環修改閃爍位的數值;
- 按下“復位”鍵,保存設置參數并退出參數設置狀態。
4.7、故障查詢
空載運行電子脫扣器時,按下“數據鍵”,系統進入故障查詢狀態,此時:
- 按下“數據鍵”,可上行查看前10次故障記錄。
- 按下“移位鍵”,可下行查看前10次故障記錄。
- 按下“復位鍵”退出故障查詢狀態。
當負載啟動和運行時,自動退出故障查詢狀態
若20秒內無按鍵操作,自動退出故障查詢狀態。
故障查詢顯示狀態說明表:
|
故障狀態 |
LCD顯示內容 |
|
無記錄 |
no-Err |
|
欠壓故障 |
電壓 E1.欠壓故障值 |
|
過壓故障 |
電壓 E2.過壓故障值 |
|
斷相故障 |
A/B/C相電流 E3.0.0 |
|
欠流故障 |
A/B/C相電流 E4.欠流故障值 |
|
過流故障 |
A/B/C相電流 E5.過流故障值 |
|
堵轉故障 |
A/B/C相電流 E6.堵轉故障值 |
|
短路故障 |
A/B/C相電流 E7.短路故障值 |
|
三相電流不平衡故障 |
A/B/C相電流 E8.故障時的電流不平衡率 |
|
漏電故障 |
漏電流 E9.漏電故障值 |
4.8、 實時數據顯示
接入工作電源后,空載時,LCD顯示輔助電源當前實時電壓值。
負載運行時,LCD循環顯示輔助電源當前實時電壓值、三相線路當前實時電流值及當前實時漏電電流值。
按“移位鍵”可定向遞增顯示當前實時電壓值、當前A、B、C相實時電流值、當前實時漏電電流值。
按“數據鍵”可定向遞減顯示當前實時電壓值、當前A、B、C相實時電流值、當前實時漏電電流值。
按“復位鍵”恢復循環顯示。
20秒內無按鍵操作,自動恢復循環顯示。
五、 故障檢測、記錄及顯示
5.1、欠壓故障
當“KBO故障屏蔽字”的Bit6設置為1時,不判斷欠壓故障。
當系統持續10秒檢測到當前電壓值小于設定的欠壓保護值時,判定為欠壓故障:
- 記錄故障狀態及故障發生時的電壓值。
- 報警繼電器輸出。
5.2、過壓故障
當“KBO故障屏蔽字”的Bit5設置為1時,不判斷過壓故障。
當系統持續5秒檢測到當前電壓值大于設定的過壓保護值時,判定為過壓故障:
- 記錄故障狀態及故障發生時的電壓值。
- 報警繼電器輸出。
5.3、斷相故障
當“KBO故障屏蔽字”的Bit4設置為1時,不判斷斷相故障。
當系統持續3秒檢測到當前負載中有一相或兩相電流為零時,判定為斷相故障:
- 記錄故障相、故障狀態。
- 報警繼電器輸出。
5.4、 欠流故障
當“KBO故障屏蔽字”的Bit3設置為1時,不判斷欠流故障。
當系統持續3秒檢測到當前電流值小于設定的欠流保護值時,判定為欠流故障:
- 記錄故障相、故障狀態及故障發生時的電流值。
- 報警繼電器輸出。
5.5、過流故障
當“KBO故障屏蔽字”的Bit2設置為1時,不判斷過流故障。
當系統持續(超過設定的過流反時限保護曲線規定的檢測延時時間)檢測到當前電流值大于設定的過流保護值時,判定為過流故障:
- 記錄故障相、故障狀態及故障發生時的電流值。
- 報警繼電器輸出。
5.6、 堵轉故障
當系統在1秒鐘內檢測到當前電流值大于設定的堵轉保護值時,判定為堵轉故障:
- 記錄故障相、故障狀態及故障發生時的電流值。
- 報警繼電器輸出。
5.7、 短路故障
當系統在0.1秒內檢測到當前電流值大于設定的短路保護值時,判定為短路故障:
- 記錄故障相、故障狀態及故障發生時的電流值。
- 報警繼電器輸出。
- 斷開電子脫扣器。
5.8、 三相不平衡故障
當“KBO故障屏蔽字”的Bit0設置為1時,不判斷三相電流不平衡故障。
當系統持續3秒檢測到當前三相負載的電流不平衡率(Imax-Imin)/Imax值大于設定的三相電流不平衡保護值時,判定為三相電流不平衡故障:
- 記錄故障相、故障狀態及故障發生時的電流不平衡率。
- 報警繼電器輸出。
5.9、 漏電故障
當系統在0.1秒內檢測到當前漏電流值大于設定的漏電保護值的90%時,判定為漏電故障:
- 記錄故障相、故障狀態及故障發生時的漏電流值。
- 報警繼電器輸出。
5.10、 當有多項故障同時發生時,LCD以秒間隔循環顯示各故障狀態及故障值。
5.11、 可連續記錄10次故障數據。
六、 輸出功能
l 電源輸出: 輔助端子09輸出DC24V/0.5A電源。
l 通信接口: 輔助端子09接RS485通信接口。
l 故障報警: 輔助端子02輸出常開型繼電器指示故障狀態。
l 狀態指示: 輔助端子02輸出2路常開型+1路常閉型繼電器指示電源
工作狀態。
輔助端子06輸出1路常開型+1路常開常閉型繼電器指示電源工作狀態。
l 漏電故障單獨報警:輔助端子02可單獨輸出漏電故障報警信號(訂貨時指定接線端子編號)。
l 用戶指定故障單獨報警:輔助端子02可單獨輸出用戶指定的故障報警信號(需定制)。
七、 顯示內容表
|
狀態 |
項目 |
LCD顯示內容 |
|
|
正 常 顯 示 |
空載顯示 |
顯示當前輔助電源實時電壓值“UXXX” |
|
|
參數設置 |
空載時按“參數設置表”內容顯示并進行按鍵參數修改。 |
||
|
參數查詢 |
正常運行時按“參數設置表”內容顯示。 |
||
|
故障查詢 |
空載時,LCD組合顯示10次故障狀態及記錄值。 |
||
|
運行 監測 |
啟動延時 |
循環顯示:UXXX、AXXX、BXXX、CXXX、LXXX |
|
|
循環顯示 |
|||
|
按鍵選擇 |
|||
|
故 障 顯 示 |
無記錄 |
no-Err |
|
|
欠壓故障 |
電壓 E1.欠壓故障值 |
||
|
過壓故障 |
電壓 E2.過壓故障值 |
||
|
斷相故障 |
A/B/C相電流E3.0.0 |
||
|
欠流故障 |
A/B/C相電流E4.欠流故障值 |
||
|
過流故障 |
A/B/C相電流E5.過流故障值 |
||
|
堵轉故障 |
A/B/C相電流E6.堵轉故障值 |
||
|
短路故障 |
A/B/C相電流E7.短路故障值 |
||
|
電流不平衡故障 |
A/B/C相電流E8.故障時的電流不平衡率 |
||
八、結構和工作原理
8.1 、DHKBO
DHKBO主要由操作機構、電磁傳動機構、主電路接觸組、智能脫扣器以及輔助觸頭等附件模塊構成。
操作機構由各種機械聯動組件組成,可以由操作手柄控制來確定產品的工作狀態,并能接受每極接觸組的短路脫扣信號和來自智能脫扣器的各種故障脫扣信號,通過控制觸點切斷線圈回路,分斷主電路,操作手柄處于自由脫扣位置,只有在故障排除后才能由操作手柄旋轉至再扣位置進行復位合閘。
電磁傳動機構由線圈、鐵芯、控制觸點及支座等組成,能接受控制和操作指令,帶動主電路接觸器執行接通或分斷主電路的功能。
主電路接觸組由動、靜雙斷點觸頭、柵片滅弧室、限流式快速動作機構和殼架組成,每一極為一組,彼此相互獨立,在負載端發生短路時,快速動作機構動作并迅速分開主觸頭來切斷電路,同時帶動操作機構自由脫扣,同時切斷控制線圈回路,使各相主電路處于斷開狀態,由于主電路接觸組中采用了先進的限流式快速短路脫扣器與性能優越的滅弧系統,使DHKBO具有極高的短路分斷能力。
智能脫扣器由MCU、電流互感器、數碼管(或液晶)、電子脫扣線圈和動作機構組成,可監測并顯示主電路的實時電流值、漏電電流值及輔助電源的電壓值,當主電路發生故障時,能迅速斷開主電路以實現保護功能。
輔助觸頭由雙斷點動靜觸頭、觸頭支持、微動開關、殼架等組成。輔助觸頭的通斷是靠觸頭支持與主體電磁機構、操作機構相聯動。
DHKBO結構采用倒裝式設計,接觸組觸頭及滅弧系統在安裝面底部,操作機構及電磁傳動機構在觸頭及滅弧系統的上部。觸頭的分合通過電磁傳統機構的銜鐵的吸合、斷開來實現。操作機構可通過就地或遠程控制電磁傳動機構的線圈通斷來控制產品接觸組的主觸頭通斷。
8.2 電氣原理圖


8.3 外形與安裝尺寸圖

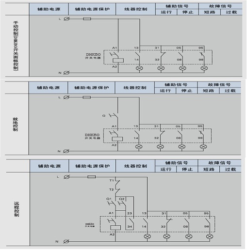
8.4 、典型接線圖

九、 安裝與調整
9.1 、在安裝DHKBO前應檢查操作旋鈕能正常操作并處于斷開位置。“AUTO”為主電路接通狀態;“TRIP”為自由脫扣位置,此狀態是由于線路故障而自由脫扣的位置,必須在專業人員清除線路故障后才能對DHKBO進行操作;“OFF”為主電路斷開位置;“RESET”為再扣位置,自由脫扣的DHKBO只有將操作旋鈕旋轉到此位置后才能復位并再扣。
9.2 、在安裝使用DHKBO前應仔細核對線圈和附件的電源電壓是否與產品說明書一致,是否與實際控制線路一致,以免損壞產品。
9.3 、線圈通以85%~115%Us時,當操作旋鈕旋至“AUTO”位置,電磁鐵可靠吸合;當旋至“OFF”位置,電磁鐵可靠釋放。
9.4 、DHKBO的各種故障保護值及故障延遲時間均可由用戶自行設置,方便用戶使用。出廠設置值見“參數設置表”。
9.5 、DHKBO分斷10KA短路電流后確保線路連續供電,在保證1500次的電壽命而不需要進行維修。
9.6 、DHKBO的安裝平面相對于垂直位置允許前后傾斜30o、相對于軸心左右旋轉90o。
9.7 、為保證DHKBO產品運行的動作準確性,與產品連接的外部導線截面積應符合下表規定。
|
工作電流范圍(A) |
聯接導線截面積(mm2) |
|
0 < I < 8 |
1.5 |
|
8 < I < 12 |
2.5 |
|
12 < I < 20 |
4 |
|
20 < I < 25 |
6 |
|
25 < I < 50 |
10 |
|
50 < I < 63 |
16 |
|
63 < I < 100 |
25 |
十、 使用和維護
訂貨時應明確以下幾點:
- 產品型號及名稱
- 控制電源電壓及頻率
- 主體脫扣器額定電流
- 智能脫扣器額定電流;
- 所需輔助觸頭種類和對數;
- 所需增選功能;
- 訂貨數量。